НАУКА
Темы
Семинары
Публикации
Конференции
Партнеры
Научные школы
ОБРАЗОВАНИЕ
Научно-образовательный центр
Аспирантура
Базовые кафедры
Именные премии
ЭПР - электронный урок
ДОСТИЖЕНИЯ
Важнейшие результаты
Разработки
Патенты
Награды и премии
Защиты диссертаций
ИННОВАЦИИ
Патенты
Разработки
Малое инновационное предприятие "Градиент МРТ"
ИНСТИТУТ
Об институте
Структура института
Название
Руководство
Советы
Профсоюз
Жилищная комиссия
Контакты
Нормативные документы
Реквизиты
English page
IN.KFTI
Дело (Light version)
Размещение материалов для сайта
Обращения в тех. службы КФТИ
Инструкции
Вход для сотрудников
Главная страница
-
Персональные страницы
-
Коновалов Дмитрий Александрович
-
Разработки для КФТИ (открытый раздел)
-
Узлы СМПК
-
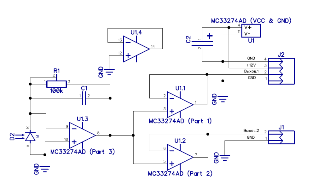
Фотоусилитель
Комплект эксплуатационной и технической документации
Фотоусилитель
Схема принципиальная электрическая
Персональные страницы
Калачев А.А.
Салихов К.М.
Нуждин В.И.
Видеоматериалы
Коновалов Д.А.
Помощник программирования температурного контроллера печи
Применение интегральных датчиков магнитного поля
Конструкции на микроконтроллерах
3D принтер с кинематикой Delta
Устройство для разработки локтевого сустава
Пассивный ретранслятор радиосигналов дистанционного датчика температуры для погреба
Разработки для КФТИ
Доп. раздел
Научные школы КФТИ
Оборудование
Издательская деятельность
Найти сотрудника
Персональные страницы
Вход для сотрудников